Tda1085c схема регулятора

Voltajı bir diyot köprüsüyle rektifiye edilen ve 7815 mikro...
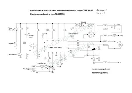
Добро пожаловать в мир высокоточного управления мощностью где каждый винтик имеет значение. Окунемся в основы с TDA1085C схема регулятора мощности где каждая линия на схеме скрывает потенциал. Здесь TDA1085C контроллер оборотов двигателя представлен базовый регулятор на TDA1085 с трансформаторным питанием обещающий непревзойденную стабильность. Затем мы видим Схема подключения TDA1085C как напряжение ректифицируется диодным мостом достигая совершенства. Затем приходит TDA1085C универсальный регулятор скорости универсальный моторный контроллер TDA1085CD готовый к любым вызовам. Посмотрите на TDA1085C характеристики где раскрывается истинная мощь этой микросхемы. Вот и она TDA1085C для стиральной машины та самая плата регулятора оборотов для коллекторного двигателя TDA1085. Прекрасно подходит для Плата TDA1085C в сборе создания мощного регулятора на TDA1085. Теперь к TDA1085C плата регулятора где каждая деталь имеет значение. Тут TDA1085C даташит вы найдете всю необходимую информацию для настройки. Не забывайте о TDA1085C базовое применение странице в блоге которая раскрывает секреты TDA1085C. Вот вам TDA1085C сборка универсальный контроллер скорости TDA1085C PCB Assembled. Следующая остановка TDA1085C для полировки где показана плата для вашей будущей полировальной машины. Этот момент TDA1085C регулятор напряжения открывает вам TDA1085C Speed control для двигателей стиральных машин. Вот и он TDA1085C схема управления схема на TDA1085 страница номер тринадцать. Завершаем наш путь с TDA1085C документация и мощным регулятором на TDA1085. Это творение TDA1085C установка идеален для создания машины для полировки. Взгляните на TDA1085C применение плату регулятора оборотов коллекторного двигателя TDA1085. И в конце TDA1085C универсальный моторный контроллер TDA1085C Universal Motor Speed Controller. И последнее TDA1085C сборка регулятора завершает нашу историю. Чип Микросхема TDA1085C регулятор оборотов TDA1085C регулятор оборотов коллекторного двигателя. Всегда на высоте.

Hentai.

Hinata Foot Worship

Slideshow скрытая камера секс вк.

Секс Под Скрытой Камерой